
Produktuaren deskribapen zehatza
| Abantaila: | Abiadura handia | Etiketatzeko abiadura: | 60-200pcs / min |
|---|---|---|---|
| Funtzioa: | Eranskailuen Etiketa Etiketa | Materiala: | Altzairu herdoilgaitza |
| Botila mota: | Botila biribildu automatikoa etiketatzeko potoa | Aplikazio: | Edukiontzi biribil mota guztientzat |
| Plc marka: | MITSUBISHI (Japonia) | Servo etiketatze motorra: | DELTA (Taiwan) |
ardo beltza etiketatzeko makina edalontzi ardo botilak etiketatzeko makina, PLC kontrol sistema MITSUBISHI markako etiketatzeko makina
Ezaugarriak:
1. Funtzionamendua: PLC kontrol sistemak etiketatzeko makina erraz funtzionatzen du
2. Materiala: Etiketatzeko makinaren gorputz nagusia SUS304 altzairu herdoilgaitzez egina dago
3. Konfigurazioa: gure etiketatzeko makinek Japoniako, Alemaniako, Amerikako, Koreako edo Taiwaneko pieza ezagunak hartzen dituzte
4. Malgutasuna: bezeroak inprimagailua eta kode makina gehitzea aukeratu dezake; Konfiguragailuarekin konektatzea aukeratu dezakezu.
Parametro teknikoak:
| Izena | Abiadura handiko mahuka ardo botila biribil automatikoa txikitzeko botila biribilak etiketatzeko makina |
| Etiketatzeko abiadura | 60-350pcs / min |
| Objektuaren altuera | 30-350mm |
| Objektuaren lodiera | 20-120mm |
| Etiketaren altuera | 5-180mm |
| Etiketaren luzera | 25-300mm |
| Etiketa arrabola barneko diametroa | 76 mm |
| Etiketa arrabola kanpoko diametroa | 420mm |
| Etiketatzearen zehaztasuna | ± 1mm |
| Energia hornidura | 220V 50 / 60HZ 3,5KW |
| Inprimagailuaren gas kontsumoa | 5Kg / m2 (kodetzeko makina gehitzen bada) |
| Etiketatzeko makinaren neurria | 2800 (L) × 1650 (W) × 1500 (H) mm |
| Etiketatzeko makinaren pisua | 180kg |
Konfigurazioa
| Ez. | Zatia | marka | kantitatea |
| 1 | PLC | MITSUBISHI (Japonia) | 1 |
| 2 | Bihurgailu nagusia | DANFOSS (Danimarka) | 1 |
| 4 | HMI | WEINVIEW (Taiwan) | 1 |
| 5 | Servo etiketatze motorra | DELTA (Taiwan) | 1 |
| 6 | Servo etiketatze motorreko gidaria | DELTA (Taiwan) | 1 |
| 7 | Motor garraiatzailea | HY (Taiwan) | 1 |
| 8 | Motor garraiatzaileen engranaje kutxa | HY (Taiwan) | 1 |
| 9 | Botila motor banatzailea | GPG (Taiwan) | 1 |
| 10 | Botilako motorren engranaje kutxa banatzailea | GPG (Taiwan) | 1 |
| 11 | Motorraren abiadura erregulatzailea bereizten duen botila | GPG (Taiwan) | 1 |
| 12 | Izpi motorra | GPG (Taiwan) | 1 |
| 13 | Izpi motorraren engranaje kutxa | GPG (Taiwan) | 1 |
| 14 | objektuak begi magikoa detektatzen du | OMRON (Japonia) | 1 |
| 15 | zuntz optikoa | OMRON (Japonia) | 1 |
Makinaren xehetasuna:

Etiketatzeko makinaren 32 pieza nagusi

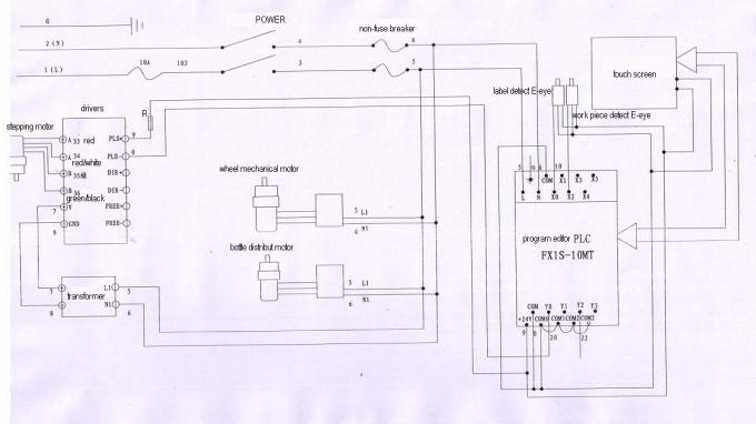
Zirkuitu diagrama

OHIKO GALDERAK:
1.etiketak burbuilak lortzen ditu
Arrazoiak:
① taula zuritu ez da ona / ez da laua;
② golde-taula ez da ona / ez da laua;
③ etiketatze-irteera oso bizkorra da edo muntaketa-linearen abiadura txikiegia da;
④ etiketa askatuegi dago
Irtenbideak:
① aldatu zuritu laua taula;
② aldatu golde-taula lau bat;
③ etiketatzeko irteerako abiadura moteldu edo muntaia-linearen abiadura handitu;
④ etiketaren gerrikoan eragin egokia.
Etiketa: etiketatzeko makina industriala, beirazko botilak etiketatzeko makina









